MC_MoveContinuousAbsolute
| 功能块 | MC_MoveContinuousAbsolute | ||
|---|---|---|---|
| 命令控制的运动至指定的绝对位置,并以指定的速度结束。 | |||
| VAR_IN_OUT | |||
| B | AxisIn | AXIS_REF | 轴的参考。 |
| VAR_INPUT | |||
| B | Execute | BOOL | 在上升边缘开始运动。 |
| E | ContinuousUpdate | BOOL | 若为 TRUE,则当功能块 (FB) 正在执行且参数值正被更新时,FB 将使用新值;若为 FALSE,则 FB 不会使用新值。 |
| B | Position | LREAL | 运动的命令位置 [每秒](正或负)。 |
| B | Velocity | LREAL | 最大速度值 [单位/每秒]。 |
| B | EndVelocity | LREAL | 结束速度值,为带正负号的值,[每秒]。 |
| E | Acceleration | LREAL | 加速度值,单位由 MC_ProfileType 决定为 [单位/每秒2] 或 [每秒]。 |
| E | Deceleration | LREAL | 减速度值,单位由 MC_ProfileType 决定为 [单位/每秒2] 或 [每秒]。 |
| E | Jerk | LREAL | 加加速度值。单位由 MC_ProfileType 决定为 [单位/每秒3] 或 [每秒]。 |
| E | Direction | MC_Direction | 轴的移动方向。 |
| E | BufferMode | MC_BufferMode | 定义如何融合两功能块的速度。 |
| VAR_OUTPUT | |||
| B | InEndVelocity | BOOL | 已达到指令位置且依要求的结速速度执行。 |
| E | Busy | BOOL | 功能块尚未完成且预期将有新的输出值。 |
| E | Active | BOOL | 功能块正在控制轴。 |
| E | CommandAborted | BOOL | 命令被另一个命令中止。 |
| B | Error | BOOL | 功能块中出现错误的讯号。 |
| B | ErrorID | MC_Error | 错误识别。 |
|
|||
| MC_MoveContinuousAbsolute | ||||||
|---|---|---|---|---|---|---|
| AXIS_REF | AxisIn | Axis | AXIS_REF | |||
| BOOL | Execute | InEndVelocity | BOOL | |||
| BOOL | ContinuousUpdate | Busy | BOOL | |||
| LREAL | Position | Active | BOOL | |||
| LREAL | Velocity | CommandAborted | BOOL | |||
| LREAL | EndVelocity | Error | BOOL | |||
| LREAL | Acceleration | ErrorID | MC_Error | |||
| LREAL | Deceleration | |||||
| LREAL | Jerk | |||||
| MC_Direction | Direction | |||||
| MC_BufferMode | BufferMode | |||||
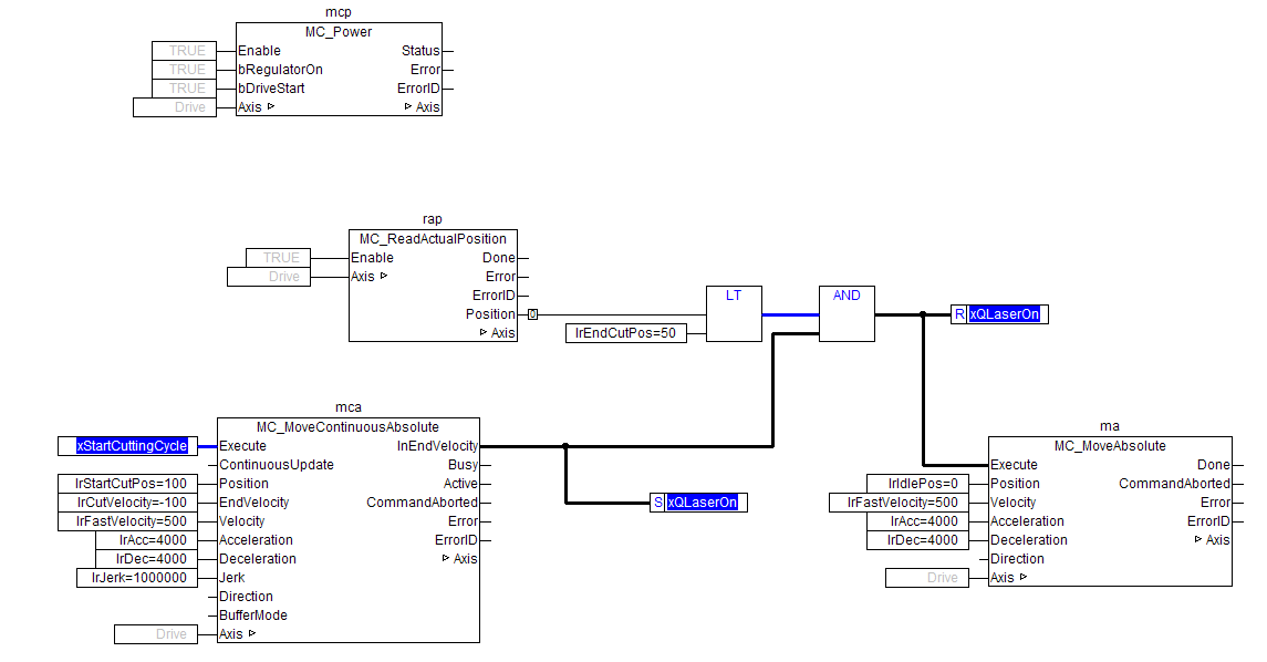
MC_MoveContinuousAbsolute 的一个使用案例为直线切割器:
一线性轴,带有用于切割工件的雷射装置。
在切割过程中,雷射必须以固定速度移动,无法容许加速或减速阶段,切割完成后雷射必须回到其等待位置。
此可透过功能块 MC_MoveContinuousAbsolute 以下列方式达成:
由 xStartCuttingCycle 的上升边缘开始,MC_MoveContinuousAbsolute 之实例 "mca" 会将轴以 lrFastVelocity 移动至 lrStartCutPos,当再次到达 lrStartCutPos 时以 lrCutVelocity 速度负方向返回,此时 InEndVelocity 已设定好,雷射已开启,因无其他运动功能块干扰此运动,MC_MoveContinuousAbsolute 将以当前速度持续以负方向移动,在轴超过位置 lrEndPos 后,雷射关闭,MC_MoveAbsolute 实例 “ma” 将轴高速移动到其闲置位置: